![]()



![]()
![]()
|
Castor Selector
|
Call us at : +91.120.4646100-98 Mobile No. : Fax : +91.120.4646199 Mail us at : |
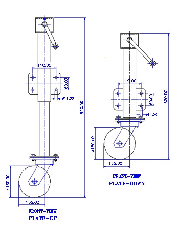
Home » Castors By Series » Jacking Castors » JC-SW Series Castors with Side Winding Operation » JC-SW-SAS-6
750
150
Polyurethane
Jacking
Castors
none