![]()



![]()
![]()
|
Castor Selector
|
Call us at : +91.120.4646100-98 Mobile No. : Fax : +91.120.4646199 Mail us at : |
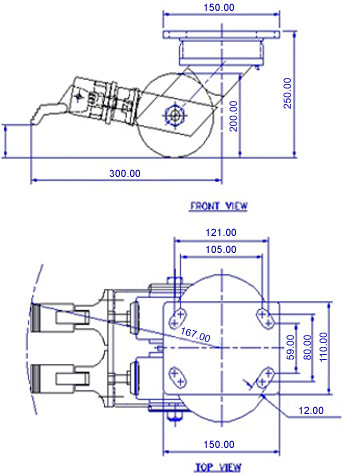
Home » Castors By Series » GRDDE Series » GRDDE Twin Wheel Castors with MCNY Series Cast Polyamide Wheels » GRDDE-82S-MCNY-WFB
1500
200
Cast
Polyamide
Swivel
with
Wheel
Face
Brake
Brake