![]()



![]()
![]()
|
Castor Selector
|
Call us at : +91.120.4646100-98 Mobile No. : Fax : +91.120.4646199 Mail us at : |
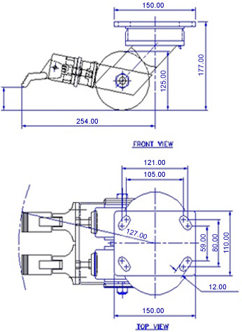
Home » Castors By Series » GRDDE Series » GRDDE Twin Wheel Castors with SZS Series Soft Polyurethane Wheels » GRDDE-52S-SZS-WFB
700
125
Polyurethane
Swivel
with
Wheel
Face
Brake
Brake