![]()



![]()
![]()
|
Castor Selector
|
Call us at : +91.120.4646100-98 Mobile No. : Fax : +91.120.4646199 Mail us at : |
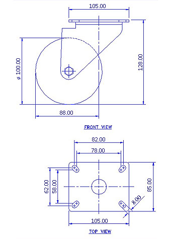
Home » Castors By Series » BHS Series » BHS Series Castors with NY Series Nylon Wheels » BHS-412S-NY
250
100
Nylon
Swivel
Castor
none